Complete CoreXY bewegingsset voor nauwkeurige Voron-upgrades

Complete CoreXY bewegingsset voor nauwkeurige Voron-upgrades

Deze CoreXY bewegingsset richt zich op gebruikers die betrouwbaarheid en precisie willen verbeteren zonder grote aanpassingen aan hun machine. De kit bevat GT2 open riemen, een selectie katrollen (16T, 20T en een grote 80T) en riemaslagers met een gelijke riemaslengte van 188 mm, specifiek afgestemd op 350 mm CoreXY-systemen zoals de Voron 2.4. Door gebruik van hoogwaardige kunststoffen voor de katrollen en duurzaam metaal voor de lagers biedt de set een aantrekkelijke balans tussen sterkte en lage wrijving. Dankzij de open riemen wordt inspectie en onderhoud versneld, en de onderdelen passen rechtstreeks op gangbare mounts in veel CoreXY-frames. Let op: open riemen moeten zelf worden samengevoegd of met klemmen bevestigd, en sommige gebruikers moeten extra bevestigingsmateriaal of spanningselementen voorzien. Over het geheel genomen is dit een praktische en kosteneffectieve set voor wie stabiele, stille en preciezere bewegingen zoekt zonder direct zware investeringen in volledig metalen pulleys of speciale gereedschappen.

De belangrijkste kenmerken

Goed om rekening mee te houden voordat je een aankoop doet.

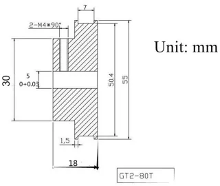
Set onderdelen GT2 open riemen, katrollen 16T/20T/80T, riemaslagers
Riemtype GT2 (2GT), rimbreedte 2 mm, open/segment
Riemaslengte 188 mm (geschikt voor 350 mm CoreXY systemen)
Materialen Katrollen van slijtvast kunststof, riemaslagers van duurzaam metaal
Compatibiliteit Speciaal afgestemd op Voron 2.4 (350 mm) en andere GT2 CoreXY frames
Katrolconfiguratie 16 tanden, 20 tanden en 80 tanden katrollen voor aandrijving en idling

De CoreXY Bewegingsset – Riemen en katrollen in één oogopslag

De CoreXY Bewegingsset – Riemen en katrollen in één oogopslag

De CoreXY Bewegingsonderdelen Set is ontworpen als een complete onderhouds- of upgradekit voor CoreXY-architecturen, met speciale aandacht voor compatibiliteit met Voron 2.4-systemen van 350 mm. In de doos vind je GT2 open riemen (2 mm breed), een mix van katrollen met 16 en 20 tanden voor aandrijving en een grote 80T katrol die vaak dienstdoet als idler of voor bijzondere belt-paths, plus riemaslagers met een aangegeven riemaslengte van 188 mm. De combinatie van materialen — met name slijtvast kunststof voor de katrollen en duurzaam metaal voor de riemaslagers — is gekozen om wrijving te minimaliseren en slijtage aan zowel riem als pulley te beperken. Dit resulteert in gelijkmatiger bewegingen en minder resonantie bij relatief hoge printsnelheden.

Een belangrijk ontwerpkenmerk is dat de riemen open zijn: dit maakt inspectie eenvoudig en vervangingen sneller uitvoerbaar, maar betekent ook dat je de riemstukken moet samenvoegen met een splice of klemmen. De 188 mm riemaslengte geeft aan dat de set is afgestemd op een specifieke belt-span, wat montage vereenvoudigt voor Voron-gebruikers maar tegelijkertijd flexibiliteit beperkt voor afwijkende frame-afmetingen. Montage is doorgaans eenvoudig voor ervaren bouwers: correct uitlijnen en afstellen van de spanning zijn cruciaal om de voordelen te verzilveren. Vergeleken met compleet metalen pulleys biedt deze set een kosteneffectieve middenweg: minder zwaar en stiller, met voldoende slijtvastheid voor de meeste hobby- en lichte professionele toepassingen.

In praktijk merk je verbeterde laagregistratie en minder microstuttering na vervanging van versleten riemen en lagers. Voor wie een nauwkeurige, stille CoreXY-beweging wil zonder meteen in high-end aluminium pulleys of closed-loop servosystemen te investeren, is dit een pragmatische en goed samengestelde set.

Wat vinden we goed aan de CoreXY Bewegingsset – Riemen en katrollen

Wat vinden we goed aan de CoreXY Bewegingsset – Riemen en katrollen

De sterke punten van deze CoreXY bewegingsset liggen vooral in de compleetheid en de praktische toepasbaarheid. Ten eerste biedt de set een complete aanvulling op de bewegingsketen: riemen, verschillende katrolformaten en riemaslagers in één pakket. Dit maakt het ideaal voor onderhoudsbeurten: je vervangt in één keer de onderdelen die het meest aan slijtage onderhevig zijn en hebt direct de juiste combinaties van tanden en lagers bij de hand. De GT2-profielriemen met 2 mm breedte zijn een bewuste keuze voor CoreXY-systemen; ze combineren voldoende krachttransmissie met een fijne tandpassing die nauwkeurigheid ondersteunt.

De materiaalkeuze benadrukt duurzaamheid en laag geluid: kunststof katrollen met een goede samenstelling verminderen rolgeluid en zijn minder gevoelig voor galvanische problemen ten opzichte van gemengde metalen assen. De metalen riemaslagers bieden structurele sterkte waar dat nodig is en houden de riempaden stabiel, waardoor wrijving en ongewenste speling worden beperkt. De aanwezigheid van een grote 80T katrol is een pluspunt voor configuraties die baat hebben bij een groter wraparound-radius (minder scherpe hoeken voor de riem) — dat verlaagt slijtage en vermindert kans op belt-slip bij hogere versnellingen.

Praktisch gezien maakt de gekozen riemaslengte van 188 mm de set plug-and-play voor Voron 2.4 (350 mm) gebruikers, wat montage- en afsteltijd verkort. De open riemen zijn handig voor snelle visuele inspectie en eenvoudige vervanging zonder het frame te moeten demonteren. Voor iedereen die de bewegingsafdeling wil optimaliseren zonder uitgebreide modificaties zijn de verbeterde soepelheid en stillere werking direct merkbaar tijdens prints: kleurechte lagen worden strakker gelegd en resonantie-artifacts nemen af.

Wat vinden we minder goed

Wat vinden we minder goed

Hoewel de set veel voordelen biedt, zijn er ook enkele duidelijke beperkingen en aandachtspunten. Ten eerste zijn de riemen open uitgevoerd: dit vergemakkelijkt inspectie, maar betekent ook dat je ze zelf moet samenvoegen met een splice of klemmen. Voor gebruikers zonder ervaring met belt-splicing kan dit verwarrend zijn en veroorzaakt het extra kosten als je aparte klemmen of een joiner nodig hebt. Daarnaast is de set specifiek afgestemd op een riemaslengte van 188 mm voor 350 mm systemen; dat zorgt voor eenvoudige montage op een Voron 2.4, maar voorkomt flexibiliteit bij afwijkende frame-dimensies. Als je printer net iets korter of langer is, moet je extra riemen bestellen of de belt-path aanpassen.

De keuze voor kunststof katrollen is een tweesnijdend zwaard: ze zijn doorgaans stiller en goedkoper, maar onder zware belasting of bij veel abrupte acceleraties kunnen ze sneller slijten of licht vervormen in vergelijking met volledig metalen pulleys. Voor high-speed of industriële toepassingen waar consistente mechanische precisie essentieel is, kan dit een nadeel zijn. Verder vermeldt de productomschrijving geen montagehardware zoals bevestigingsschroeven, klemmen of tensioners. Dat betekent dat je mogelijk extra bevestigingsmateriaal en gereedschap moet aanschaffen om de onderdelen correct te monteren en te spannen.

Tot slot: voor gebruikers die maximale stijfheid en levensduur eisen — denk aan uitgebreide multi-day prints met hoge snelheden — bieden hoogwaardige aluminium of stalen pulleys en gesloten riemsystemen nog steeds betere prestaties dan deze set. Voor de meeste hobby- en lichte professionele toepassingen zijn de beperkingen echter beheersbaar en goed af te wegen tegen de prijs en het gemak.

Voor- en nadelen

Voordelen
  • Complete set (riemen, 16T/20T/80T katrollen, riemaslagers) voor snelle vervanging
  • Specifiek afgestemd op Voron 2.4 (350 mm) met 188 mm riemaslengte
  • GT2-profielriemen van 2 mm breedte voor nauwkeurige beweging
  • Duurzame materialen: metalen lagers en slijtvast kunststof voor lagere geluidproductie
  • Grote 80T katrol vermindert scherpe hoeken en verkleint riemslijtage
Nadelen
  • Riemen zijn open geleverd; je moet zelf splicen of klemmen aanschaffen
  • Beperkte flexibiliteit door vaste 188 mm riemaslengte (voor 350 mm systemen)
  • Kunststof katrollen kunnen sneller slijten bij extreem hoge belasting of snelheid

Advies voor kopers

Advies voor kopers

Voordat je deze CoreXY bewegingsset koopt of monteert, is het verstandig om een korte checklist af te werken zodat je installatie vlekkeloos verloopt. Controleer eerst de exacte belt-span (center-to-center afstand tussen je aandrijvingen) van je printer: deze set is ontworpen voor 188 mm span, typisch in 350 mm Voron-configuraties. Als jouw machine andere afmetingen heeft, bestel dan riemen met de juiste lengte of pas je belt-path aan om spanning en uitlijning te behouden.

Bij montage is correcte uitlijning cruciaal. Kijk goed naar de plaatmaten van je pulley-mounts en bevestig de katrollen zo dat de riem volledig vlak over de tanden loopt. Een kleine hoek of off-center montage veroorzaakt snel vervroegde slijtage en introduceert speling. Gebruik indien mogelijk een digitale schuifmaat en waterpas of een simpele lineaire laser om de assen te controleren. Span de riemen tot een stevige, maar niet overdreven gespannen staat; te los leidt tot backlash en oscillaties, te strak verhoogt belastingen op stappermotoren en lagers.

Aangezien de riemen open zijn, plan hoe je ze gaat samenvoegen: koop kwalitatieve belt-clamps of leer de juiste methode van een riemsplice met lijm en klemmen als je die techniek beheerst. Controleer ook of je voldoende bevestigingsmateriaal hebt: de set lijkt geen montagebouten of tensioners te bevatten, dus zorg dat je M3/M4 bouten, moertjes en eventueel locknuts bij de hand hebt. Smeer lagers licht met een geschikt smeermiddel indien nodig, maar vermijd overmatig vet bij de riempaden omdat dit stof kan aantrekken.

Tenslotte: na montage kalibreer je stappen/mm en voer je testprints uit met slimme acceleratie- en jerk-instellingen. Begin met lage snelheden en verhoog geleidelijk om te controleren op resonanties of slip. Met deze voorbereidingen haal je het maximale uit de set en verleng je de levensduur van zowel riemen als katrollen.

Conclusie

Conclusie

De CoreXY Bewegingsset – Riemen en katrollen is een verstandige keuze voor hobbyisten en bouwers die hun Voron 2.4 of vergelijkbare CoreXY-printer willen onderhouden of upgraden zonder te investeren in duurdere, volledig metalen pulleys. De set biedt een goede balans tussen prijs, gebruiksgemak en prestatieverbetering: GT2-riemen van 2 mm breedte, meerdere katrolopties en robuuste riemaslagers samen zorgen voor stillere, soepelere bewegingen en verbeterde laagregistratie. Voor veel gebruikers betekent dit direct betere printresultaten en minder onderhoudstijd.

Er zijn echter aandachtspunten: de open riemen vereisen dat je ze verbind met een splice of klem, en de vaste riemaslengte van 188 mm maakt de set het meest geschikt voor 350 mm CoreXY-frames. Daarnaast zijn kunststof katrollen een prima compromis voor de meeste toepassingen, maar voor intensief high-speed gebruik kunnen aluminium of stalen pulleys duurzamer blijken. Let ook op het feit dat bijkomende bevestigingshardware soms nodig is om de set goed te monteren.

Al met al is deze set een praktisch en kostenbewust hulpmiddel om de bewegingsafdeling van een CoreXY-printer te vernieuwen. Voor Voron 2.4-eigenaren of wie een betrouwbare, stille en nauwkeurige beweging zoekt zonder extreme industriële eisen, levert de set veel waarde. Met de juiste montage, correcte spanningsafstelling en eenvoudige nazorg haal je er langdurig profijt van en zie je direct verbeteringen in printkwaliteit.

Sanne

Sanne

Laatst bijgewerkt: 16-04-2026

Sanne is 3D-printerexpert en vaste auteur bij 3D Printer Gids. Sinds 2016 bouwt en test ze printers, van DIY-kits tot resinmachines. Ze vertaalt complexe onderwerpen naar heldere, toepasbare tips over hardware, slicers en materialen als PLA, PETG, ABS en TPU. In haar werkplaats print ze functionele onderdelen, mods en prototypes, waarbij ze eerlijk de plus- en minpunten deelt. Buiten werktijd tekent ze ontwerpen, fine-tunet profielen en helpt ze beginners graag op weg met praktische adviezen.

CoreXY Bewegingsset – Riemen en katrollen

€316,99
Reviews op bol
Uiterlijk 20 april in huis

Klaar om te beginnen?
Ontdek alle 3D printers nu.

Vergelijken