Store_9 T8 POM loodschroefmoeren — betaalbare en duurzame vervanging voor je lead screw

Store_9 T8 POM loodschroefmoeren — betaalbare en duurzame vervanging voor je lead screw

De Store_9 T8 POM loodschroefmoeren zijn een praktische en kostenbewuste keuze wanneer je de lead screw-nuten van je 3D-printer wilt vervangen of op voorraad wilt hebben. Gemaakt van POM (polyoxymethyleen) bieden ze een laag wrijvingscoëfficiënt en goede slijtvastheid, wat zorgt voor lange levensduur bij normaal gebruik. De moeren zijn specifiek ontworpen voor 8 mm lead screws met een 2 mm pitch en passen in veel populaire machines zoals de Ender-3 en CR-10. Met compacte afmetingen en eenvoudige montage helpen ze snel weer printklaar te zijn. Voor hobbyisten die betrouwbaarheid zoeken zonder hoge kosten vormen deze moeren een solide keuze; voor zware, industriële of uiterst nauwkeurige toepassingen is metaal vaak nog de betere optie.

De belangrijkste kenmerken

Goed om rekening mee te houden voordat je een aankoop doet.

Materiaal POM (polyoxymethyleen)
Draaddiameter 8 mm (T8)
Pitch 2 mm
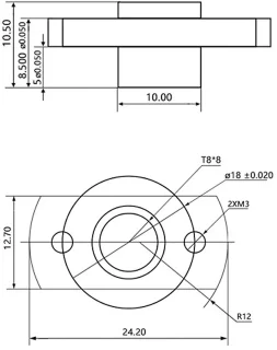
Afmetingen (buiten) 24,2 x 12,7 mm
Dikte / Hoogte 10,5 mm
Inhoud verpakking 6 stuks

De Store_9 T8 loodschroefmoer - 3D-printer onderdeel in één oogopslag

De Store_9 T8 loodschroefmoer - 3D-printer onderdeel in één oogopslag

De Store_9 T8 loodschroefmoeren zijn bedoeld als vervang- of reserveonderdeel voor printers met T8/8 mm lead screws, en worden geleverd in een set van zes stuks. Ze zijn vervaardigd uit POM, een engineeringplasticsoort die bekendstaat om zijn lage wrijving, goede mechanische eigenschappen en weerstand tegen slijtage. De vermelde afmetingen (24,2 x 12,7 mm), een draaddiameter van 8 mm en een pitch van 2 mm maken ze geschikt voor de gangbare T8-lead screws die te vinden zijn in modellen zoals Ender-3 en CR-10. De opgegeven dikte van 10,5 mm draagt bij aan stevigheid en zorgt voor een goede overlap met de schroefdraad.

In de praktijk bieden zulke POM-moeren een merkbare vermindering van speling en wrijving vergeleken met versleten metalen of slecht passende originele onderdelen. Ze zijn licht van gewicht, corrosievrij en relatief tolerant voor montagevariaties. Doorgaans installeer je ze eenvoudig door de oude moer te verwijderen en de nieuwe op de lead screw te plaatsen; daarna controleer je uitlijning en eventuele bevestigingsmethoden van je printer (zoals klemmen of houders). De set van zes is handig: je kunt meerdere assen voorzien, reserveonderdelen bewaren of snel wisselen bij onderhoud.

Belangrijk om te weten is dat POM nuttig is voor normaal gebruik en voor printers waar geluid, wrijving en levensduur belangrijke factoren zijn. Voor toepassingen met hoge axiale belastingen, langdurig intensief gebruik of extreme temperatuurschommelingen kan een metalen of anti-backlash-oplossing robuuster zijn. Voor de gemiddelde hobbyist en lichte professionele gebruiker levert deze set echter goede prestaties voor een aantrekkelijke prijs.

Wat vinden we goed aan de Store_9 T8 loodschroefmoer - 3D-printer onderdeel

Wat vinden we goed aan de Store_9 T8 loodschroefmoer - 3D-printer onderdeel

De pluspunten van de Store_9 T8 POM-moeren zijn duidelijk zichtbaar in dagelijkse praktijk. Allereerst biedt het POM-materiaal een laag wrijvingsniveau, wat resulteert in soepeler bewegen van de lead screw en daardoor minder geluid en minder slijtage aan de schroefdraad. Dit is vooral merkbaar bij Z-as-bewegingen waar stotteren of schokken het printresultaat negatief kunnen beïnvloeden. Daarnaast is POM vanwege zijn slijtvastheid en lage vochtopname een stabiele keuze voor langdurig gebruik in kamertemperatuuromgevingen.

Een ander sterk punt is de gebruiksvriendelijkheid: de moeren hebben compacte afmetingen en standaard metrische waarden (8 mm draad, 2 mm pitch), waardoor ze makkelijk compatibel zijn met veel commerciële printers. De set van zes stuks is praktisch — je hebt genoeg reserveonderdelen of kunt meerdere machines tegelijk voorzien. Montage is doorgaans rechttoe-rechtaan; bij vervanging van versleten moeren ben je snel weer operationeel, wat belangrijk is voor hobbyisten die weinig stilstand willen.

Ook de prijs-kwaliteitverhouding is aantrekkelijk. Voor een relatief lage investering krijg je duurzame kunststofmoeren die vaak stiller en lichter zijn dan metalen alternatieven. Voor wie op zoek is naar een eenvoudige upgrade die de betrouwbaarheid en consistentie van prints verbetert zonder veel technische aanpassingen, zijn deze moeren een uitstekende keuze. Tot slot is het materiaal onderhoudsarm: geen roest, geen ingewikkelde smering noodzakelijk in normale omstandigheden, en voldoende mechanische sterkte voor de meeste consumenten-3D-printtoepassingen.

Wat vinden we minder goed

Wat vinden we minder goed

Hoewel de Store_9 T8 POM-moeren veel voordelen bieden, zijn er ook duidelijke beperkingen en aandachtspunten. POM is weliswaar slijtvast, maar niet zo hard of dimensioneel stabiel als metalen moeren bij zware of continue belastingen. Bij printers die vaak zware extruders of direct-drive systemen gebruiken, kunnen POM-moeren op de langere termijn sneller slijten of licht vervormen, wat tot extra speling en dus verminderde precisie kan leiden. Voor industriële toepassingen of printers die 24/7 draaien blijven metalen of speciaal bewerkte anti-backlashmoeren vaak superieur.

Een ander nadeel is dat POM-moeren doorgaans geen ingebouwd anti-backlashmechanisme hebben. Als je Z-asprecisie cruciaal is — bijvoorbeeld bij zeer fijne laaghoogtes — kun je merkbare backlash ervaren die firmware of hardware-aanpassingen noodzakelijk maakt. Ook moet je bij installatie letten op maatvoering: de opgegeven afmetingen en dikte (10,5 mm) en de interne passing moeten exact overeenkomen met de bestaande lead screw en bevestiging; anders is nabewerking of een andere houder nodig.

Tot slot: hoewel de moeren eenvoudig te installeren zijn, geeft de productbeschrijving geen details over bevestigingsgaten of set-screws. Dit betekent dat sommige printerframes of houders mogelijk aanpassing behoeven. Kortom, prima voor standaard en lichte toepassingen, minder geschikt wanneer maximale stijfheid, langdurige zware belasting of minimale backlash vereist zijn.

Voor- en nadelen

Voordelen
  • Gemaakt van slijtvast POM voor lage wrijving en lange levensduur
  • Compatibel met veel populaire printers (8 mm draad, 2 mm pitch)
  • Set van 6 stuks — voldoende reserves of meerdere installaties
  • Eenvoudige en snelle installatie zonder speciale gereedschappen
  • Lichter en stiller dan veel metalen alternatieven
Nadelen
  • Minder geschikt voor zware belasting of 24/7 bedrijf
  • Geen ingebouwd anti-backlashmechanisme
  • Mogelijk nabewerking of aanpassing nodig bij sommige houders
  • Langdurige precisiebehoeften kunnen beter door metalen moeren worden bediend

Advies voor kopers

Advies voor kopers

Als je overweegt de Store_9 T8 POM loodschroefmoeren aan te schaffen, denk dan eerst goed na over jouw gebruiksscenario en installatie-eisen. Voor de gemiddelde hobbyist met een Ender-3, CR-10 of vergelijkbare FDM-printer zijn deze moeren vaak een prima keuze: ze verminderen wrijving, dempen geluid en zijn eenvoudig te vervangen. Zorg dat je de afmetingen van je bestaande moer of houder naloopt — meet de interne boring, de breedte en de hoogte — zodat de 24,2 x 12,7 mm en 10,5 mm dikte daadwerkelijk passen zonder dat je de houder moet aanpassen.

Controleer ook de draad- en pitch-specificatie van je lead screw (8 mm diameter, 2 mm pitch). Hoewel dit standaard is voor veel T8-lead screws, bestaan er varianten met andere profielen of afwijkende toleranties. Als je lead screw al verschoten of beschadigd is, kan het vervangen van alleen de moer tijdelijk resultaat geven maar op de lange termijn zal zowel schroef als moer vervangen meer waarde bieden.

Voor gebruikers die streven naar maximale precisie: overweeg of een anti-backlash-oplossing of metalen moer met voorafgestelde speling beter past. Je kunt anti-backlashinserts of dubbelmoer-oplossingen combineren met deze POM-moeren voor verbeterde nauwkeurigheid. Houd ook rekening met bevestiging: sommige printers gebruiken set-screws of klembevestigingen; als de Store_9-moer geen specifieke bevestigingsvoorzieningen biedt, bereid je voor op kleine modificaties of het gebruik van extra bevestigingsmateriaal.

Tot slot: de verpakking met zes stuks is ideaal om reserves te hebben of meerdere assen te voorzien. Koop ze als je regelmatig onderhoud uitvoert of meerdere printers bezit. Voor zware, continue of industriële toepassingen adviseren we toch een upgrade naar metalen of specifieke anti-backlashmoeren. Voor standaard printwerk en regelmatige hobbyist-gebruik geven deze POM-moeren echter een aantrekkelijke balans tussen prijs, prestaties en onderhoudsgemak.

Conclusie

Conclusie

De Store_9 T8 POM loodschroefmoeren vormen een verstandige, betaalbare keuze voor wie betrouwbare vervangmoeren zoekt voor gangbare T8-lead screws. Gemaakt van POM combineren ze lage wrijving, goede slijtvastheid en eenvoudige installatie, wat resulteert in stillere en soepelere Z-as-bewegingen en doorgaans verbeterde printconsistentie. De set van zes is praktisch voor onderhoud, reserves of applicaties met meerdere machines.

Echter: deze moeren zijn niet zonder beperkingen. Voor zware belastingen, zeer langdurig intensief gebruik of situaties waar minimale backlash en maximale stijfheid essentieel zijn, blijven metalen of specifieke anti-backlashoplossingen superieur. Ook kan bij sommige frames nabewerking of aanpassing van houders nodig zijn omdat de productbeschrijving geen details geeft over bevestigingsgaten of set-screws.

Samenvattend: voor de meerderheid van hobbyisten en kleine professionele gebruikers die waarde hechten aan betaalbaarheid, lage wrijving en eenvoudige vervangbaarheid zijn de Store_9 T8 POM-moeren een sterke optie. Ze bieden een goede prijs-kwaliteitverhouding en lossen veel alledaagse problemen op. Als jouw projecten echter intensieve mechanische eisen stellen, onderzoek dan alternatieven of combineer deze moeren met aanvullende anti-backlashmaatregelen voor het beste resultaat.

Daan

Daan

Laatst bijgewerkt: 19-04-2026

Daan is de oprichter van 3D Printer Gids. Met een achtergrond in productontwikkeling en jaren aan praktijkervaring test hij FDM- en resinprinters, filamenten en slicers. Hij vertaalt technische details naar heldere koopadviezen en stap-voor-stap handleidingen. In zijn werkplaats bouwt en modt hij graag machines en ontwerpt hij onderdelen in Fusion 360. Buiten het testen print hij praktische hulpmiddelen en miniaturen. Zijn doel: eerlijke, bruikbare informatie waarmee beginners én gevorderden betere prints maken.

Store_9 T8 loodschroefmoer - 3D-printer onderdeel

€27,95
Reviews op bol
Uiterlijk 28 april in huis

Klaar om te beginnen?
Ontdek alle 3D printers nu.

Vergelijken